Kratki Rollo W oceľ čierna, s možnosťou liatinovej alebo betónovej akumulačnej zostavy či teplovodného výmenníka
Kód: ROLLO-W

Podrobný popis

ROLLO W - High – vysoké oceľové kachle na drevo s akumuláciou a moderným dizajnom
ROLLO High sú moderné oceľové kachle na drevo, ktoré spájajú funkčnosť, univerzálny dizajn a vysokú účinnosť vykurovania. Vyššia verzia modelu ROLLO pôsobí elegantne, opticky výrazne a zároveň sa prirodzene hodí do rôznych typov interiérov – od moderných a minimalistických až po rustikálne a tradičné priestory. Vďaka veľkému preskleniu ponúkajú kachle krásny pohľad na plamene a vytvárajú v domácnosti príjemnú, útulnú atmosféru.
Kachle ROLLO High spĺňajú požiadavky Ecodesignu aj prísnej nemeckej normy BImSchV II, čo je zárukou vysokej účinnosti, nízkych emisií a bezpečného spaľovania. Predstavujú tak ideálne riešenie pre zákazníkov, ktorí hľadajú ekologické kachle na drevo s úspornou prevádzkou a moderným vzhľadom. Model je navyše vhodný aj do domov s rekuperáciou, čo z neho robí výbornú voľbu pre súčasné nízkoenergetické stavby.
Veľkou výhodou kachlí ROLLO High je použitie akumulačného materiálu TERMOTEC, ktorý pomáha udržiavať vyššiu teplotu v spaľovacej komore, podporuje efektívnejšie spaľovanie a predlžuje odovzdávanie tepla do miestnosti. Vďaka tomu môžete počítať s vyšším tepelným komfortom a úspornejšou prevádzkou. Praktický systém čistého skla pomáha udržiavať presklenie dlhšie čisté, aby ste si mohli naplno vychutnávať pohľad na oheň bez častého čistenia.
Model ROLLO High je navrhnutý aj s dôrazom na pohodlnú a bezpečnú obsluhu. Kachle sú vybavené mechanizmom dovierania dvierok, ktorý zabraňuje ich náhodnému ponechaniu otvorených. Samozrejmosťou je liatinový rošt, jednoduchý prístup k oceľovému popolníku a intuitívne ovládanie prívodu vzduchu. Vďaka týmto riešeniam sú kachle nielen účinné, ale aj komfortné pri každodennom používaní.
Ďalšou výhodou je možnosť rozšírenia modelu o akumulačné prvky alebo teplovodný výmenník. K dispozícii sú doplnky vo forme liatinových alebo betónových akumulačných diskov, prípadne vodného modulu, ktoré môžu ešte viac zvýšiť schopnosť akumulácie tepla alebo rozšíriť funkciu vykurovania podľa potrieb konkrétnej domácnosti.
Hlavné výhody kachlí ROLLO High
-
vysoké oceľové kachle na drevo s moderným a univerzálnym dizajnom,
-
vhodné do moderných aj rustikálnych interiérov,
-
akumulačný materiál TERMOTEC pre dlhšie udržanie tepla,
-
intuitívne nastavenie prívodu vzduchu,
-
perforovaná rukoväť s prirodzeným chladením,
-
liatinový rošt a jednoduchý prístup k oceľovému popolníku,
-
systém čistého skla pre lepší výhľad na plamene,
-
žiaruvzdorné sklo s odolnosťou až do 600 °C,
-
mechanizmus blokovania zabraňuje nechcenému ponechaniu otvorených dvierok,
-
trojitý systém prívodu vzduchu pre vysokú účinnosť spaľovania,
-
deflektor predlžujúci dráhu spalín pre lepšie využitie energie,
-
externý prívod vzduchu fi 100 mm s možnosťou napojenia zozadu alebo zospodu,
-
odolná povrchová úprava so zvýšenou odolnosťou proti poškriabaniu a vysokým teplotám,
-
horná doska z ocele hrúbky 5 mm,
-
spĺňa normy Ecodesign a BImSchV II,
-
vhodné pre domy s rekuperáciou,
-
možnosť dokúpenia akumulačných doplnkov alebo teplovodného výmenníka.
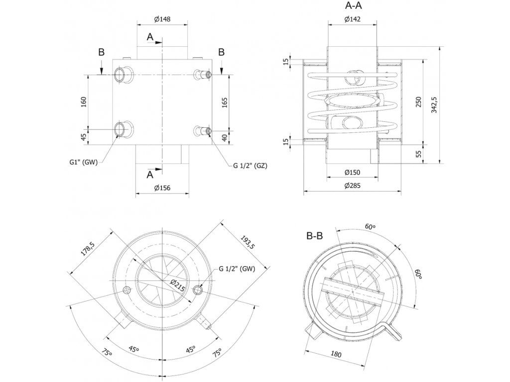
Možnosti akumulácie
Model ROLLO High je možné doplniť o akumulačné príslušenstvo, ktoré pomáha ešte lepšie využiť vyprodukované teplo a predĺžiť jeho sálanie do priestoru. K dispozícii sú liatinové alebo betónové akumulačné prstence, prípadne teplovodný výmenník, podľa konkrétneho riešenia vykurovania.
Liatinové akumulačné disky 3 ks – dlhšie sálanie tepla a vyššia účinnosť kachlí
Hmotnosť: 69kg
Liatinové akumulačné disky 3 ks sú praktickým doplnkom ku kachliam, ktorý pomáha zvýšiť účinnosť vykurovania a predĺžiť odovzdávanie tepla do priestoru. Ich hlavnou úlohou je znížiť tepelné straty, ktoré by inak unikali spolu so spalinami do komína. Vďaka premyslenej konštrukcii zväčšujú kontaktnú plochu so spalinami, čím dochádza k efektívnejšiemu odovzdávaniu tepla a lepšiemu využitiu energie z paliva.
Použitie liatinových akumulačných diskov prispieva nielen k vyššej tepelnej účinnosti spotrebiča, ale zároveň umožňuje akumuláciu tepla, ktoré sa následne postupne uvoľňuje do miestnosti ešte až 3 hodiny po dohorení ohňa. Vďaka tomu si môžete užívať príjemné sálavé teplo dlhší čas, čo oceníte najmä počas chladných dní a vykurovacej sezóny.
Montáž diskov prebieha priamo na dymové hrdlo, pričom inštalácia je jednoduchá a praktická. Následné napojenie dymovodu na výstup akumulačnej sady je rýchle a bez zbytočných komplikácií. Tento doplnok je ideálnym riešením pre zákazníkov, ktorí chcú získať z kachlí maximum tepla, zvýšiť komfort vykurovania a zlepšiť celkovú efektivitu prevádzky.
Betónové akumulačné prstence – 6 ks / 3 vrstvy pre dlhšie sálanie tepla
Hmotnosť: 29kg
Betónové akumulačné prstence 6 ks v 3 vrstvách sú praktickým doplnkom ku kachliam, ktorý pomáha zvyšovať tepelný komfort a efektívnejšie využívať vyprodukované teplo. Vďaka vlastnostiam betónu dokážu disky absorbovať veľké množstvo tepelnej energie počas prevádzky kachlí a následne ju postupne uvoľňovať do priestoru ešte aj po dohorení ohňa.
Počas kúrenia sa akumulačné prstence zahrievajú a ukladajú teplo, ktoré sa po ukončení horenia postupne vracia späť do miestnosti. Doba uvoľňovania tepla je približne 3 hodiny po vyhasnutí ohňa, čo prispieva k dlhšiemu pocitu tepla a vyššiemu komfortu vykurovania. Tento systém oceníte najmä počas chladných dní, keď chcete predĺžiť sálanie tepla bez potreby častého prikladania.
Veľkou výhodou je aj jednoduchá montáž na telo kachlí okolo dymovodu. Akumulácia tepla prebieha priamo z tela spotrebiča aj z dymovej rúry, čím sa zvyšuje celková efektivita vykurovania. Betónové akumulačné prstence sú preto vhodným riešením pre všetkých, ktorí chcú zlepšiť schopnosť kachlí uchovávať a postupne odovzdávať teplo do interiéru.

Teplovodný výmenník – efektívne využitie tepla zo spalín
Výkon do vody: 1,5 kW
Objem výmenníka: 10l
Hmotnosť: 15kg
Priemer dymovodu: 150mm
Teplovodný výmenník je moderné zariadenie určené na získavanie tepla zo spalín, ktoré by inak bez využitia odchádzali komínom mimo domu. Vďaka tomuto riešeniu je možné časť strateného tepla efektívne využiť na ohrev vody, čím sa zvyšuje celková energetická účinnosť vykurovacieho systému bez potreby ďalšej spotreby paliva. Ide o praktický doplnok pre domácnosti, ktoré hľadajú spôsob, ako znížiť náklady na vykurovanie a zároveň lepšie využiť energiu vznikajúcu pri prevádzke kachlí alebo krbu.
Získané teplo možno využiť na vykurovanie radiátorov alebo na ohrev úžitkovej vody, čo robí z teplovodného výmenníka zaujímavé riešenie pre efektívnejšiu prevádzku domácnosti. Tento systém ocenia najmä zákazníci, ktorí chcú rozšíriť funkciu svojho vykurovacieho zariadenia a získať z neho maximum tepla.
Teplovodný výmenník je vyrobený z kvalitnej ocele hrúbky 4 mm, čo zabezpečuje vysokú odolnosť, pevnosť a dlhú životnosť. Je navrhnutý pre použitie v systémoch ústredného kúrenia a vyniká univerzálnosťou použitia. Možno ho prevádzkovať v uzavretom systéme s maximálnym tlakom do 2 bar, ale aj v otvorenom systéme, čo umožňuje jeho prispôsobenie rôznym typom inštalácie a technickým riešeniam.
Ak hľadáte spôsob, ako zvýšiť účinnosť vykurovania, lepšie využiť teplo zo spalín a znížiť energetické straty, teplovodný výmenník predstavuje praktické a úsporné riešenie pre moderné domácnosti.
Dodatočné parametre
| Kategória: | KACHLE |
|---|---|
| Záruka: | 5 rokov |
| Hmotnosť: | 133 kg |
| EAN: | 5903751233442 |
| ? Dostupnosť: | na objednávku |
| ? Výrobca: | KRATKI |
| ? Séria: | KRATKI BASIC |
| ? Typ presklenia: | oblúkové |
| ? Spôsob otvárania dvierok: | otváravé |
| ? Nominálny výkon (kW): | 7 |
| ? Akumulácia: | áno (za príplatok) |
| ? Vykurovacia schopnosť (m3): | 175 |
| ? Priemer dymovodu (mm): | 150 |
| ? Napojenie dymovodu: | horné/zadné |
| ? Druh paliva: | drevo/drevené brikety |
| ? Dĺžka polien (cm): | 35 |
| ? Externý prívod vzduchu (CPV): | áno |
| ? Priemer externého prívodu vzduchu (mm): | 100 |
| Celková výška (mm): | 1318 |
| Celková šírka (mm): | 526 |
| Celková hĺbka (mm): | 402 |
| Hmotnosť (kg): | 133 |
| ? Materiál: | oceľ |
| ? Základné farebné odtiene: | čierna |
| ? Farebné označenie výrobcu: | čierna |
| Typ spaľovania: | dvojstupňové spalovanie |
| ? Varná platňa/Trúba na pečenie: | nie |
| ? Typ ohniska: | s roštom |
| ? Účinnosť (%): | 80,1 |
| ? Energetický štítok: | A |
| ? Prevedenie ohniska: | Termotec |
Diskusia
Buďte prvý, kto napíše príspevok k tejto položke.
KRATKI – poľský výrobca krbov, krbových vložiek a kachlí
KRATKI je etablovaný poľský výrobca krbov, krbových vložiek, kachlí a krbového príslušenstva, ktorý pôsobí na trhu od roku 1998. Spoločnosť začínala výrobou krbových mriežok a postupne sa vypracovala medzi rešpektované európske značky v oblasti vykurovania a interiérového ohňa. Výrobca sám zdôrazňuje dôraz na kvalitu, odolnosť, bezpečnosť a efektivitu prevádzky, pričom sídlo firmy sa nachádza vo Wsole pri Radome, kde má aj showroom a technické zázemie.
Veľkou výhodou značky KRATKI je jej široké produktové portfólio. V ponuke nájdete krbové vložky, voľne stojace kachle na drevo, bio krby, plynové krby, ventilačné mriežky, dymovodné a ventilačné systémy aj množstvo príslušenstva ku krbom a kachliam. Zákazník si tak vie vybrať riešenie pre novostavbu, rekonštrukciu, chalupu aj moderný rodinný dom. Značka zároveň ponúka výrobky v rôznych materiálových vyhotoveniach, napríklad oceľové, liatinové aj kachľové modely, takže vie osloviť priaznivcov moderného aj tradičného štýlu.
Z technického pohľadu je KRATKI zaujímavé tým, že pri viacerých modeloch kladie dôraz na tesnosť spaľovacej komory, kvalitné spracovanie ocele, efektívne odovzdávanie tepla a vhodnosť pre moderné nízkoenergetické domy. Výrobca pri vybraných produktoch uvádza napríklad presné laserové rezanie, CNC ohýbanie, zvary realizované v ochrannej atmosfére, možnosť externého prívodu vzduchu, utesnenú konštrukciu vhodnú aj pre domy s rekuperáciou či systémy pre lepšie využitie tepla a čistejšie spaľovanie. To je dôležité najmä pre zákazníkov, ktorí dnes nehľadajú len pekný oheň, ale aj spoľahlivý, úsporný a technicky premyslený zdroj tepla.
Silnou stránkou firmy je aj to, že dokáže osloviť viac typov zákazníkov – od tých, ktorí hľadajú dostupné a funkčné riešenie, až po náročnejších klientov, ktorí chcú vyšší komfort, dizajn a profesionálne odporúčané produkty. Práve preto vznikla aj línia KRATKI PRO, ktorú výrobca predstavil ako rad vyvíjaný spolu s partnermi a montážnikmi. Pri tejto sérii KRATKI uvádza laboratórne testovanie, dôraz na najnovšie technické riešenia, vysokú kvalitu spracovania, plnenie požiadaviek Ecodesign a pri vybraných modeloch aj normy BImSchV 2, pričom veľkým benefitom je aj 10-ročná záruka.
Pre zákazníka to v praxi znamená, že značka KRATKI ponúka dobrý pomer ceny, dizajnu a technickej hodnoty. Je to výrobca, ktorý má široký výber modelov, od jednoduchších riešení až po modernejšie a dizajnovo výrazné krbové vložky či kachle. Ak teda zákazník hľadá poľskú značku krbov a kachlí s dlhoročnou tradíciou, širokou ponukou, modernými technológiami a dôrazom na funkčnosť, KRATKI patrí medzi výrobcov, ktorých sa určite oplatí zaradiť do výberu.





